Controlador solar MMZ

Código: 700851
- +

Descripción

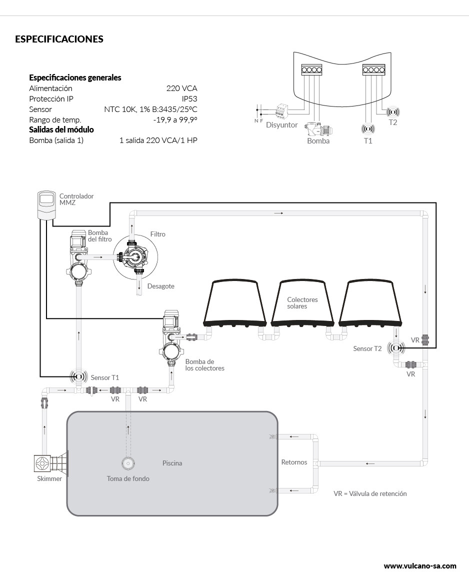
Controlador Solar Vulcano. Automatiza el calentamiento de la piscina actuando con 2 sensores (incluidos) y disponiendo de funciones de anti congelamiento y sobrecalentamiento.
Emplea un display LCD con teclas touch screen que indican la temperatura, el estado y el modo de funcionamiento de la salida.

También te puede interesar

Scroll al inicio